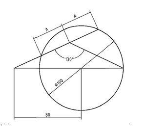
題目:求A的長度
首先畫直徑100的圓;再以圓右邊的四分點為起點,往左畫長130的直線(80+100/2)
以130直線兩端端點為起點,畫2條25度夾角的輔助線,再以圓弧指令連接130直線兩端端點和輔助線交點畫圓弧1;圓弧1上任一點和130直線兩端端點畫出的2條線夾角必為130度,幾何作圖原理不知道的自己找網路或問老師
刪除夾角25度輔助線,保留圓弧1;分別以130直線左端點和100圓圓心為起點,畫2條45度夾角的輔助線,再以圓弧指令連接130直線左端點、輔助線交點和100圓圓心畫圓弧2;圓弧2上任一點和130直線左端點及100圓圓心畫出的2條線夾角必為90度
以130直線左端點為起點,圓弧1和2的交點為第2點畫直線,再延伸直線到100圓上;以130直線右端點為起點,圓弧1和2的交點為第2點畫直線
2條線夾角必為130度。A的長度為37.2669
文章標籤
全站熱搜






