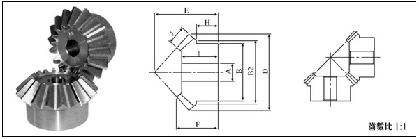
供應商提供的正傘齒輪,指的是軸心成90度相交的傘齒輪
而網路上用AutoCAD畫的範例不多,多數是外觀類似的東西,齒形也很隨便,和實際的市售標準品相差甚遠,最接近市售標準品的幾乎都是用SOLID WORK或Pro E畫出來的
先從比較簡單的等比傘齒輪來練習畫法,等比傘齒輪指的是齒數完全相同的一對傘齒輪;要畫的是模數2齒數20的傘齒輪
找到的範例是先畫出齒根圓的圓錐,再用掃掠或斷面混成的方法畫出單齒,最後再陣列聯集完成;這也是我認為和實際物品相差很多的原因,因為齒形在圓錐的內外側是平面
練習用的畫法和找到的範例不同,比較類似其他軟體的畫法。是先畫出含齒頂圓的圓錐,再用掃掠或斷面混成的方法畫出單齒的齒隙,最後再陣列差集完成
UCS座標切換到"前視圖"方向,先按照型錄在輔助線及主圖層分別畫出輔助線和含齒頂圓的半邊斷面輪廓,中心線對齊0點Y軸
把節圓的那條45度線當作是Z軸,以指定Z軸向量的方式設定UCS座標;按照漸開線齒輪近似畫法畫出模數2齒數20的齒隙輪廓,齒頂圓比實際再大一些,差集處理時才能處理乾淨
接下來多數的範例大多是把齒形設定推拔角度直接擠出成實體,或是把齒形輪廓偏移齒厚的距離再按比例縮小後混成實體;直接擠出的,因為實品斷面的4面推拔角度都不同,所以畫出的會和實際差很多。偏移齒厚的距離則是因為實體兩端是平面,所以也是會和實際差很多
這裡的方法是偏移比齒厚更大的距離,再依照輔助線45度節圓線的交點為參考,把齒隙輪廓斷面等比例縮小
把2個齒隙輪廓使用斷面混成指令處理成實體;把含齒頂圓的半邊斷面輪廓使用迴轉指令轉成粗胚實體
UCS座標切換到"上視圖"方向;以0點為中心把齒隙實體環形陣列成20個,再使用差集指令把粗胚實體減去20個齒隙實體,完成一個傘齒輪
以輔助線45度節圓線鏡射傘齒輪實體到90度方向,把鏡射後的傘齒輪實體依自己的軸心旋轉9度;關閉所有輔助線圖層,完成觀看成果
齒數不相等的傘齒輪畫法相同,只是要把2個齒輪分開畫;這裡要畫的是模數2,齒數是15和30的一對齒輪
同樣先按照型錄在輔助線及主圖層分別畫出輔助線和含齒頂圓的半邊斷面輪廓,大齒輪中心線對齊0點Y軸;大小齒輪斷面輪廓分別畫在各自圖層
先從小齒輪開始畫,關閉大齒輪圖層;把節圓相交的那條斜線當作是Z軸,以指定Z軸向量的方式設定UCS座標;按照漸開線齒輪近似畫法畫出模數2齒數15的齒隙輪廓,齒頂圓比實際再大一些,差集處理時才能處理乾淨
把齒隙輪廓偏移比齒厚更大的距離,再依照輔助線節圓相交的那條斜線的交點為參考,把齒隙輪廓斷面等比例縮小
把2個齒隙輪廓使用斷面混成指令處理成實體;把含齒頂圓的半邊斷面輪廓使用迴轉指令轉成粗胚實體
UCS座標切換到"右視圖"方向;以粗胚軸心為中心把齒隙實體環形陣列成15個,再使用差集指令把粗胚實體減去15個齒隙實體,完成小傘齒輪
打開並切換到大齒輪圖層,關閉小齒輪圖層;把節圓相交的那條斜線當作是Z軸,以指定Z軸向量的方式設定UCS座標;按照漸開線齒輪近似畫法畫出模數2齒數30的齒隙輪廓,齒頂圓比實際再大一些,差集處理時才能處理乾淨
把齒隙輪廓偏移比齒厚更大的距離,再依照輔助線節圓相交的那條斜線的交點為參考,把齒隙輪廓斷面等比例縮小
把2個齒隙輪廓使用斷面混成指令處理成實體;把含齒頂圓的半邊斷面輪廓使用迴轉指令轉成粗胚實體
UCS座標切換到"上視圖"方向;以粗胚軸心為中心把齒隙實體環形陣列成30個,再使用差集指令把粗胚實體減去30個齒隙實體,完成大傘齒輪
關閉所有輔助線圖層,打開小傘齒輪圖層;把小傘齒輪實體依自己的軸心旋轉12度,完成觀看成果



















