這個"番茄種子脫毛罐"完全是因應客戶的要求才開發,基本上也不算是機器設備,因為結構中並沒有可動的機構元件
番茄種子表面有一層細毛,在使用播種機播種時會使針頭無法吸起種子,使用播種機的客戶在播種番茄種子時都會先處理過
當時在客戶間廣為使用的方法是:把番茄種子放進尼龍絲襪內,再用手隔著絲襪搓揉,種子表面的細毛因為種子間的摩擦脫落,脫落的細毛會從絲襪的間隙掉出
這種處理方法的問題是:要用多大的力量搓揉?要搓揉多久?完全憑個人經驗,每個人都不同,脫毛的效率因人而異。也因此某位客戶希望本公司能開發番茄種子的脫毛機,不管誰來操作都可得到同樣的脫毛效率
種子脫毛要用什麼機構?關於這個問題老闆和我有經過激烈的討論;一開始老闆還傾向模擬人的動作,使用機構模擬人手搓揉種子。而我的想法是讓種子在圓筒內翻滾,以翻滾的方式取代搓揉的動作;激辯後的結論是採用我的構想,畢竟讓種子翻滾比搓揉種子的機構較簡單。至於讓種子翻滾的方法則是參考了當時在開發中的另一台機器"葉蟎收集機",完成的脫毛罐試驗機幾乎類似是"葉蟎收集機"1/6的縮小版,整體以透明壓克力製造,全高約30公分,風力源則使用高壓空氣取代鼓風機;基本上脫毛罐的試驗機有達到預定的效果,只要以5kgf/cm2的高壓空氣打開約3到4分鐘即可得到不錯的脫毛效果
對於脫毛罐試驗機要商品化老闆也有意見;第一個意見是成本,壓克力加工難度稍高,相對的加工廠索取的工資也不便宜。第二個意見是尺寸,老闆認為30公分太大,硬是要把尺寸砍掉10公分
第一個做出來的商品機改用鋁合金製造,高度只剩約20公分。實際測試時一如所料,打開高壓空氣後原本番茄種子應該在罐內旋轉,結果番茄種子全擠在上蓋的白鐵網不動,脫毛率等於0;老闆對於這種結果想出的解決方法是以人工間歇開閉裝在罐上的球閥,間歇的間隔約5秒,要達到設計時的脫毛效果最少要開閉30次左右
最後為了更進一步節省成本,原本設計時每個鋁件都要有的陽極處理全取消,最後實際銷售的商品機就如照片中的一樣高度矮外觀髒醜
最後關於番茄種子脫毛罐的運作原理和結構有很多客戶都在打聽想要仿製,實際上並沒有什麼好當作機密的,基本上就只是讓空氣在罐內形成龍捲風般的旋風,旋風帶動種子旋轉互相碰撞來達到脫毛效果;之所以原設計有30公分高,是因為旋風的力量無法達到那個高度,在種子到達上方後就會從中央無風帶掉到底下,然後再被風吹上去
整體結構也是只要看過就可以猜出是如何設計的,在這裡我把零件設計圖公開。台灣會做傳統車、銑床的師傅和加工廠越來越難找了,以後搞不好有圖都沒人會做了呢
整個脫毛罐分成3個部分:
1.罐身:基本上就是鋁合金管兩端車牙的簡單結構
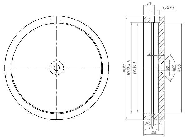
2.上蓋:基本構成零件由左開始是"上蓋、種子攔網、墊圈、攔網固定環"
上蓋:
種子攔網:由20目白鐵網剪裁製造
墊圈:由2mm厚橡膠切割製成
攔網固定環:
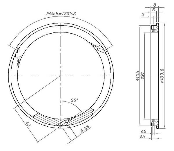
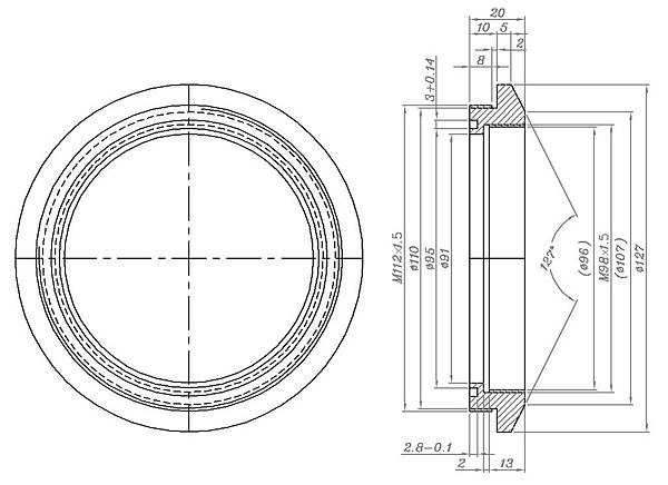
3.底座:基本構成零件由左開始是"底座、球閥、配氣環、空轉防止錐、O型環、下蓋"
底座:
球閥:購買市售標準規格現品
配氣環:這零件的設計重點是沿著環邊的3個小孔
空轉防止錐:依照原本的設計會有番茄種子掉落在中央無風帶,這個錐體就是要避免無風帶內的種子沒有脫毛。不過自老闆砍掉10公分高度及操作方式後,這個錐體功效就沒有那麼重要
O型環:購買市售標準規格現品
下蓋:
















