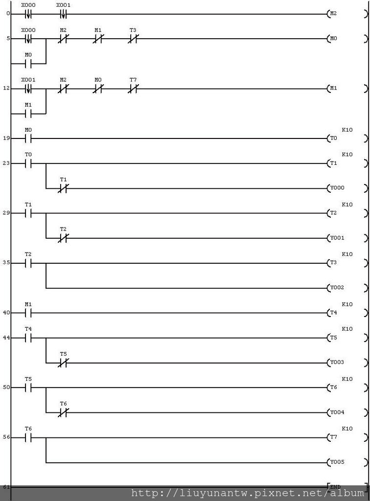
你的問題敘訴有點亂,基本上整理一下重點:
1.按X0按鈕在放開後,執行Y0~Y2順序點亮動作。先等1秒Y0亮,再等1秒後Y0熄滅Y1亮,再等1秒後Y1熄滅Y2亮,再等1秒後Y2熄滅切斷動作流程,不循環動作,要動作必需再按一次X0按鈕
2.按X1按鈕在放開後,執行Y3~Y5順序點亮動作。先等1秒Y3亮,再等1秒後Y3熄滅Y4亮,再等1秒後Y4熄滅Y5亮,再等1秒後Y5熄滅切斷動作流程,不循環動作,要動作必需再按一次X1按鈕
3.X0按鈕動作時,按X1按鈕沒有作用。X1按鈕動作時,按X0按鈕沒有動作。也就是動作互鎖
4.X0和X1按鈕同時操作時也不會動作
分幾段講解程式寫法:
第一段:雙按鈕互鎖啟動控制,因為問題中是在按鈕放開後才觸發動作,所以X0和X1按鈕使用下微分指令控制動作
LDF X0
ANDF X1
OUT M2 在X0和X1同時按下放開時,產生一個雙按鈕同動的鎖定訊號
LDF X0 X0放開後動作(下微分指令)
OR M0 X0動作訊號自保
ANI M2 雙按鈕同動鎖定訊號(使X0沒有動作)
ANI M1 X1動作訊號(使X0沒有動作)
ANI T3 Y2計時完畢(切斷自保,關閉Y2)
OUT M0 X0動作訊號
LDF X1 X1放開後動作(下微分指令)
OR M1 X1動作訊號自保
ANI M2 雙按鈕同動鎖定訊號(使X1沒有動作)
ANI M0 X0動作訊號(使X1沒有動作)
ANI T7 Y5計時完畢(切斷自保,關閉Y5)
OUT M1 X1動作訊號
第2段:Y0~Y2順序點亮動作
LD M0 X0動作訊號
OUT T0 K10 計時1秒
LD T0
OUT T1 K10 計時1秒
ANI T1 關閉Y0
OUT Y0 點亮Y0
LD T1
OUT T2 K10 計時1秒
ANI T2 關閉Y1
OUT Y1 點亮Y1
LD T2
OUT T3 K10 計時1秒
OUT Y2 點亮Y2
第3段:Y3~Y5順序點亮動作,和第2段動作原理相同
LD M1
OUT T4 K10
LD T4
OUT T5 K10
ANI T5
OUT Y3
LD T5
OUT T6 K10
ANI T6
OUT Y4
LD T6
OUT T7 K10
OUT Y5
END
階梯圖:

留言列表
