- 10月 03 週四 201315:29
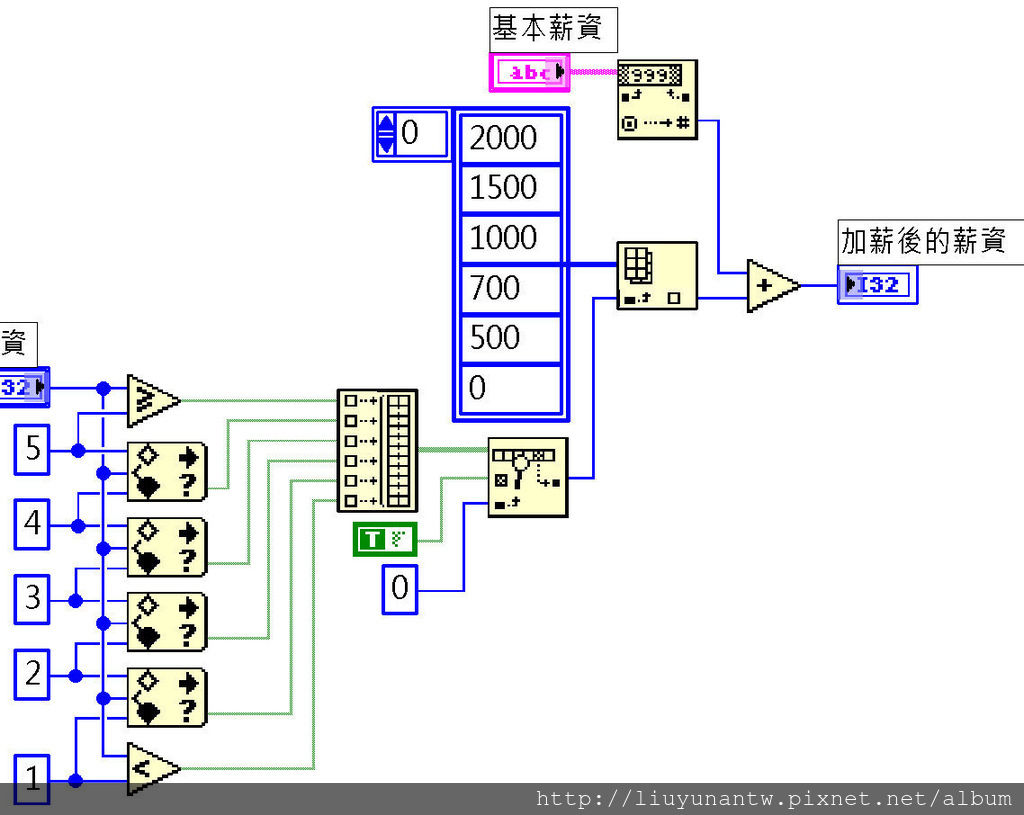
問題回覆:關於試題題目"薪資計算"
文章搜尋
最新文章
熱門文章
- (87,734)LabVIEW程式寫作心得
- (20,001)公分換算文公尺及丁蘭尺
- (11,379)用LabVIEW寫LED跑馬燈程式
- (7,067)用LabVIEW控制三菱FX-2N & FX-3G & FX-3U PLC多點監控及資料讀取
- (6,591)用LabVIEW模擬Windows標準型小算盤
- (4,772)在LabVIEW中使用ActiveX寫入Excel檔案
- (4,512)在LabVIEW中使用ActiveX讀取Excel檔案
- (3,735)在LabVIEW中使用事件(Event Structure)製作數字鍵盤
- (2,356)用LabVIEW控制OMRON PLC (2) 硬體及系統設定與通訊測試
- (1,460)用LabVIEW模擬直式文字LED跑馬燈
最新留言
- [24/05/30] 訪客 於文章「問題回覆:已知指定條件畫正多邊形...」留言:
我很抱歉,我後來發現我接錯了,謝謝你!!🥹你... - [24/05/30] 訪客 於文章「問題回覆:已知指定條件畫正多邊形...」留言:
不好意思,我用了第二題的程式碼,但不管邊長數改成多少都還是圓... - [24/01/17] 訪客 於文章「我的研發成果(7)簡易式水耕蔬菜播種機...」留言:
請問這個還買得到嗎?... - [23/03/14] 訪客 於文章「回覆"xeron2014"的問題:PLC...」留言:
請問如果用永宏的要怎麼做... - [23/01/19] Eric_chen 於文章「用LabVIEW控制三菱FX-2N & ...」留言:
大大您好,請問各廠牌 PLC 都能找到元件位址的計算方式嗎?... - [22/07/08] 訪客 於文章「我的研發成果(10)文蛤採收車...」留言:
回饋您這方面資訊,我是從 PTT搜尋引擎的排名,看... - [22/05/17] a5829959 於文章「用LabVIEW模擬小綠人行人號誌燈...」發表了一則私密留言
- [21/12/02] 陳銘輝 於文章「回覆"阿宗"的問題:用PLC模擬評分系統...」留言:
版主您好~~我是還在學三菱plc的新人~~目前有一個很大的問... - [21/08/11] Z;3DK4 於文章「我的研發成果(26)水果糖度色澤重量分級...」留言:
過了10年..試驗改良場所還是一樣 狗官也依然只在乎能不能... - [21/05/04] 訪客 於文章「我的研發成果(37)針式播種機驅動機構改...」留言:
你好,我想問這種播種機面板上設定數值怎麼調配到正常值,之前工...
個人資訊

- 暱稱:
- 未出師的小工程師
- 分類:
- 圖文創作
- 好友:
- 累積中
- 地區:
文章分類
公告 (1)
LabVIEW (19)
PLC (5)
其他 (6)
我的研發成果 (1)
動態訂閱
參訪統計
參觀人氣
- 本日人氣:
- 累積人氣: