close
矩陣鍵盤是什麼東西?在網路上找到的簡易說明如下圖:
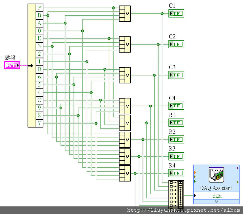
這個程式的目的是模擬一個4*4的16鍵矩陣鍵盤,輸出8個對應接點的狀態訊號(鍵盤的狀態編碼),訊號輸出的部分使用NI公司的USB 6501
程式面板鍵盤的部分不使用陣列而使用叢集,因為叢集容許每個按鍵有各自的屬性
每個按鍵在叢集內的順序有重新編排過,編排順序完全依照那張圖的邏輯去處理,方便以後程式的書寫
程式的部分比較簡單,就是把叢集的元件分成4組,再交錯比對成8個接點的狀態,透過USB 6501的P2通道輸出
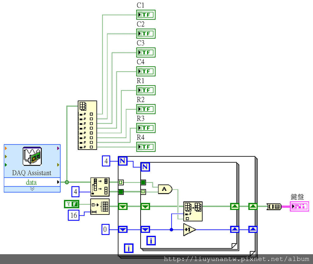
那矩陣鍵盤的8個接點訊號要如何還原成對應的矩陣鍵盤按鍵?
程式面板的矩陣按鍵同樣使用叢集來處理,叢集內元件的順序和上面程式完全相同
程式同樣使用USB 6501的P0通道來接收矩陣鍵盤的8個接點訊號,再把8個接點分成兩半,用雙迴圈交叉比對還原成對應的按鍵
文章標籤
全站熱搜






留言列表
