close
因為天天加班太忙,所以只修改簡單的用叢集做的程式,用陣列做的程式因為修改上較複雜,等比較有空時再處理。不過修改的方法類似,就是燈號點亮到折返點時,將索引值順序逆運算來熄燈。若很急的話你可以先研究看看
依照上一篇的順序:先從1點亮到64,之後反轉,從64熄滅到1
上一篇叢集做的程式修改部分:索引值原本只有正數,改成計數超過折返點時倒數。原本是只有以Ture去取代顯示陣列的狀態,改成計數超過折返點時以False去取代顯示陣列的狀態
用叢集做的程式修改完成的程式
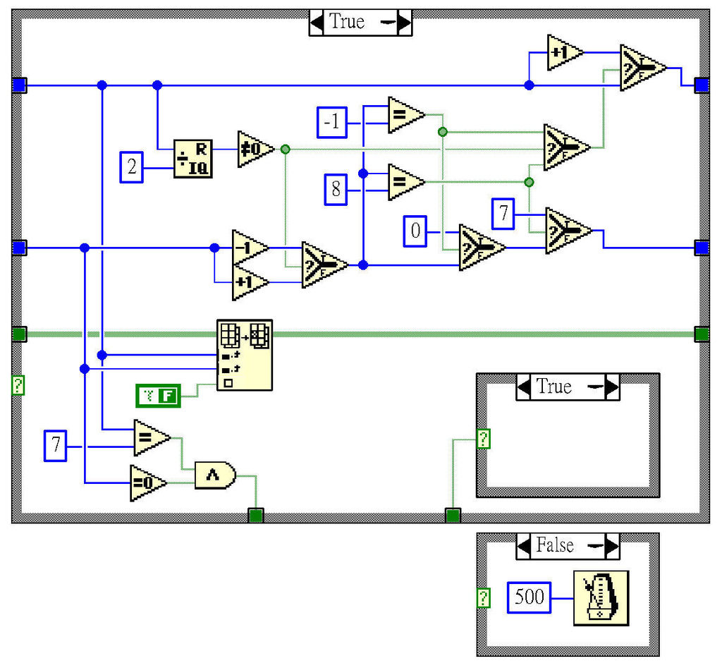
用陣列做的程式修改完成的程式,用了比較簡單的修改方法:把程式改成雙迴圈,座標計算使用條件結構來切換,在跑完第1輪後,切換成逆運算
文章標籤
全站熱搜




留言列表
