很多人在問橫式跑馬燈要怎麼改成直式的,所以這裡再提出我的方法
程式面板基本上就是把LED看板修改成直式的,因為螢幕的限制所以改成3個字高的大小
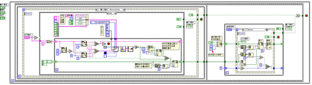
完成的程式如下:
和橫式跑馬燈幾乎相同,以下只針對不同之處做說明
同樣用Picture to Pixmap.vi和Unflatten Pixmap.vi元件先把圖形資料轉換成數值陣列,這數值陣列是由顏色的表示值構成。前面的步驟把字設定成黑色(顏色數值0),這時再用Equal To 0?元件把數值陣列中的0全轉為True,以外的數值全轉為False
轉換出來的布林點陣資料都是一樣大小,這樣半形字會靠向左邊,所以必需再用Delete From Array元件來使文字置中。方法是把點陣資料縱分為4份,取右邊的1/4移置到左邊。Delete From Array元件length這一項設定的數值必須是繪圖範圍右(right)這個數值的3/4,如繪圖範圍右(right)的數值為16,則length必需設定為12
轉換後的點陣資料不能用Build Array元件串聯成單一陣列,這樣串出來的點陣資料還是橫式的。所以這裡改用Insert Into Array元件把點陣資料串成直立式的
右邊的跑馬燈程式基本上和橫式跑馬燈相同,不同的只有顯示陣列改成直式的,插入刪除法的位置從縱列改成橫列
文章標籤
全站熱搜




留言列表
