關於如何把LabVIEW範例中放音樂和單音的程式如何整合到自己寫的程式中,這個問題對初學者可能真的梢難,因為幾乎多數的相關書籍都沒有提到該怎麼做
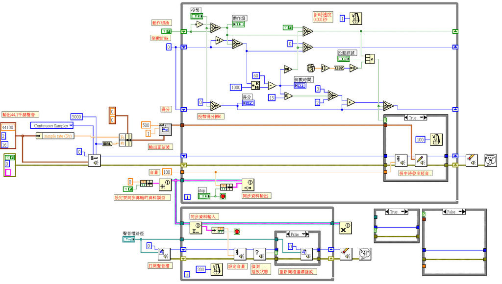
程式面板變化不大,只多加了播放背景音樂的聲音檔路徑元件,注意LabVIEW範例中的程式只能播放WAV檔
程式的整合比較麻煩:
放音效的程式還好,比較不會和投籃機程式搶資源,所以直接把相同的程式寫在投籃機程式的迴圈內
放背景音樂的程式會和投籃機程式搶資源,一放進去投籃機程式就無法正常動作,所以是獨立另一個迴圈。另外聲音檔只能播放一次,所以程式中有個會偵測身音檔是否播完,在播完時在重新叫檔播放,達到連續播放的效果
最後程式有用到兩個迴圈,為了使兩個迴圈能順利同步停止,用了較進階的資料同步傳輸技術
文章標籤
全站熱搜


