close
            
        
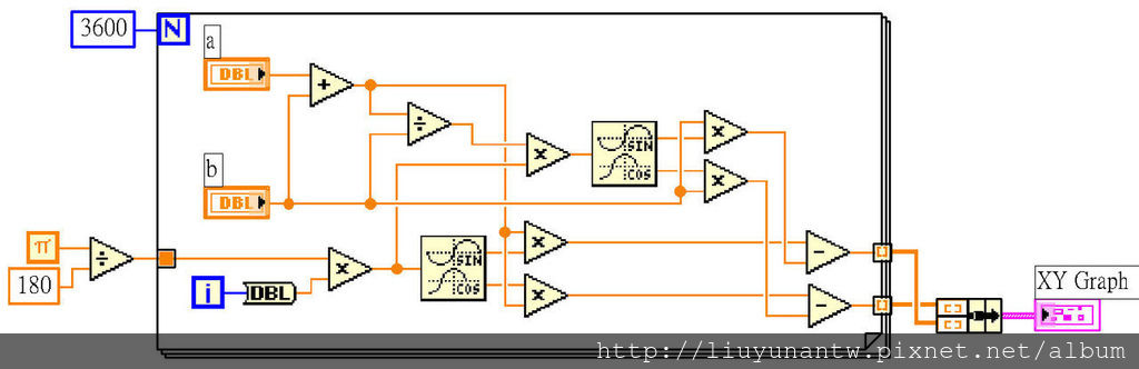
            第2種epicycloid(外擺線)函數有a、b和t這3個變數,同樣a、b若設定為帶有小數點的非整數,則For Loop迴圈執行次數必需調整增加才能畫出完整圖形
X軸函數:(a+b)*cos(t)-b*cos((a+b)/b*t)
Y軸函數:(a+b)*sin(t)-b*sin((a+b)/b*t)
完成的程式
畫出的圖形
a = 3 b = 1
a = 6 b = 0.5
a = 2.6 b = 2
a = 1.6 b = 2.4
文章標籤
        全站熱搜
        




 
         留言列表
 留言列表 
             
 
 
 公告 (1)
 公告 (1)