在某討論網站看到有人問起如何做"水果盤"的拉霸遊戲,而上傳的程式半成品太過粗糙,與印象中的水果盤拉霸相差太多,因此以自己的方法重新寫過
首先遊戲畫面的構成:
原先看到的程式半成品畫面應該是網路抓下來的,畫面較模糊不清,因此我全部的畫面用CorelDRAW軟體重新畫過
遊戲畫面左邊為得分表,上方為遊戲得分訊息顯示,中央為畫面捲筒和捲筒停止按鈕,下方為"下注"點數輸入和"剩餘點數"顯示及"結束遊戲"按鈕,右邊為一個拉桿的Boolean元件
畫面捲筒使用Ring元件製作,依序將畫面設定進去
遊戲畫面上的所有Boolean元件按鈕和拉桿全部更改按鈕型態,改成滑鼠點按時動作,滑鼠放開時立刻恢復。拉桿預設值為ON,其餘按鈕預設值為OFF
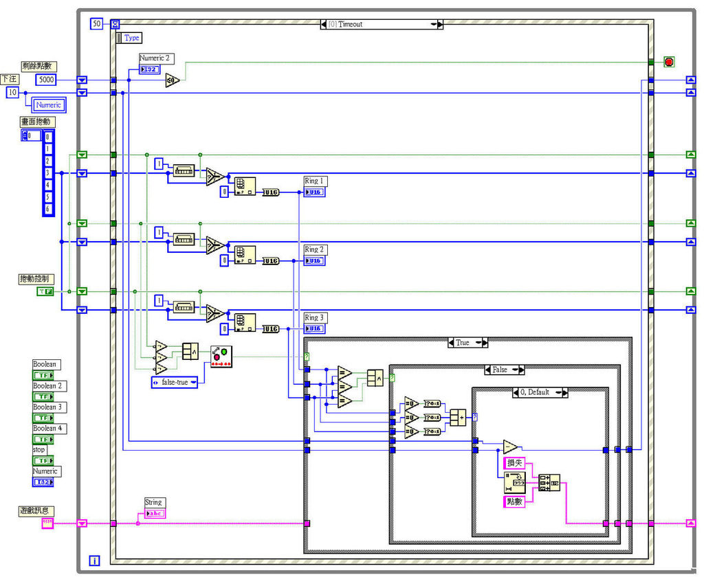
遊戲程式因為較複雜全部改以事件(Event Structure)結構來寫
遊戲預設值給予5000點遊戲點數和預設下注10點
第0頁為Timeout事件,遊戲畫面的捲動,得分的判定全在這一事件中處理
原先看到的程式半成品畫面捲動是用亂數處理,畫面是隨機跳動實在稱不上是捲動,因此這部份改寫成用一數字陣列的循環來模擬畫面捲動
得分的判定設定為當3個捲筒動作後又全部停止時才判定,主要是先判定3個捲筒的值是否相等,然後再判定得分並計算剩餘點數,並將結果顯示到遊戲畫面上方的得分訊息顯示
而在剩餘點數為0時停止程式
拉桿的事件設定為拉下又放開後才有動作,同時切換讓畫面上的捲筒開始捲動
捲筒停止按鈕的事件設定為按鈕由ON變成OFF時才動作,並切換讓畫面上相對應的捲筒停止動作
下注的輸入事件較單純,只在每次下注的值有變化時才動作








留言列表
