close
問題:
1.需求結果如圖
2.輸入參數數值元件能跟著座標點位置跑,一共有5個Y參數及4個X參數,產生Step1~4共4段線條
3.不要讓最後幾組參數元件排到Waveform Graph顯示範圍以上
似乎沒有能直接取得Waveform Graph曲線圖形上每個點座標的方法,只好借用xy graph圖形的座標屬性來計算每個輸入元件的相對座標,輸入元件位置可能還不是很準,需依用途再調整看看
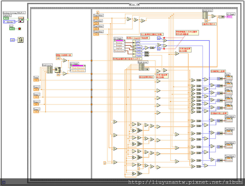
因為程式複雜註解直接寫在程式圖上,要達成第3項條件有幾種做法,列舉如下:
第1個方法:在一開始時強制更改Y軸刻度,xy graph圖形的AutoScaleY這一項要取消掉,也就是改成固定座標
執行結果
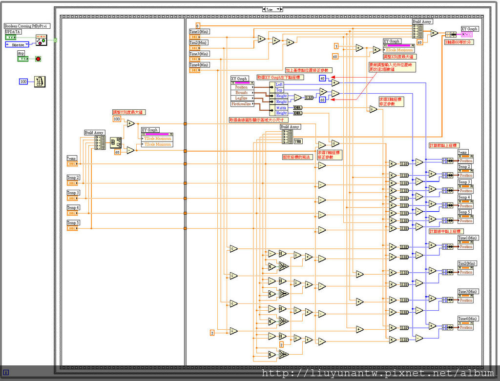
第2個方法:X和Y軸都改成固定座標,也就是AutoScaleX和AutoScaleY都要取消,這樣才能正常顯示
執行結果
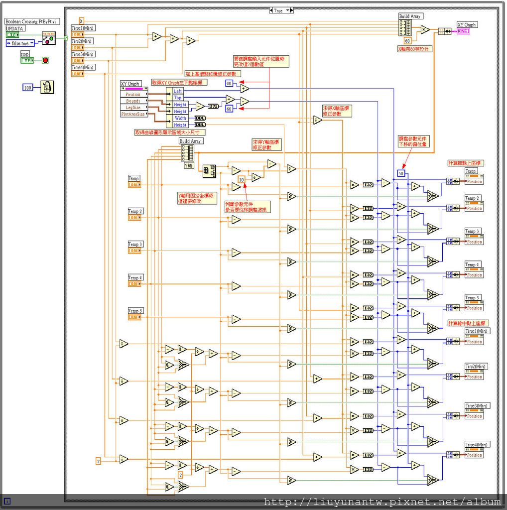
第3個方法:若要保留xy graph圖形的AutoScaleY這一項為開啟,也就是浮動座標的話,改成移動參數輸入元件的位置來避免元件超出圖形上方
執行結果
文章標籤
全站熱搜







留言列表
