因為太忙這問題拖到現在才處理
問題要求功能:
1. 一開始物體在起點,也就是XY軸的(0,0)
2. 接著輸入目標位置,物體將朝目標位置前進
3. 輸入的目標位置可以是任何象限
4. 行進時,在XY軸上描繪出從原點到終點的路徑
5. 可以改變物體的行進速度
6. 行進時是以直線方式,也就是先走完X方向再走完Y方向
問題中沒有提到的部分:
1. 物體大小
2. 是以物體的中心還是角落來對齊XY軸座標
3. 移動象限的範圍
為了簡化程式的困難度,我設定用Ring元件放入一個圖片當作物體,以物體的中心來對齊XY軸座標,移動象限的範圍設定為-100到100,XY軸的自動功能要取消
因為程式要包含畫出行進路徑,所以使用XY Graph元件,移動象限的範圍限制在XY Graph的顯示範圍內
程式面板配置如下:在按下座標確認按鈕後,物體即開始移動畫線
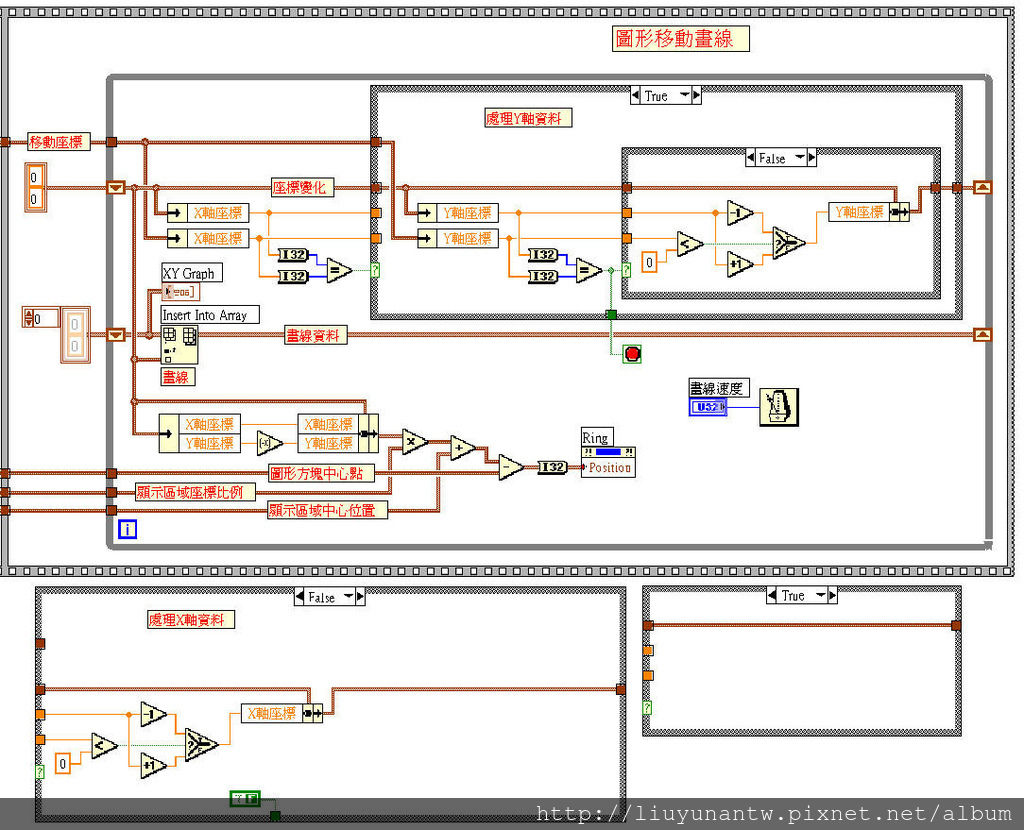
程式如下:主要分成3大部分
1.清除顯示區域線條,圖形物體復歸到原點
XY Graph元件的顯示座標無法直接使用來移動物體,所以必需調用XY Graph元件屬性,取得顯示範圍的資料,再經過換算求出正確的座標
2.輸入移動座標
另外設定座標確認按鈕是為了保證座標已輸入完成;另外加上判斷程式判斷座標是否在限制範圍內
3.圖形移動畫線
程式先處理X軸資料,在X軸資料達到設定條件時才處理Y軸資料
畫線的部分直接以處理後的XY軸資料堆疊成陣列顯示
圖形移動的部分比較麻煩:因為XY Graph的顯示範圍座標屬性是以左上角為原點,座標數值全為正值往右下角遞增。畫線的原點是自由設定的,我是設定在顯示範圍的正中心,所以Y軸的資料必需正負數值反轉才能正確移動物體





留言列表
