上一頁下一頁

專利_穴盤育苗自動排盤機

專利_多排式播種機

專利_自動排籃積籃套籃機

專利_盆花自動上盆裝填機

專利_套管式蔬果種苗嫁接機

專利_針式真空播種機之驅動機構改良

專利_播種機之吸種針頭清理裝置

針式播種機性能測定報告封面

針式播種機性能測定報告測定標準

針式播種機性能測定報告測定結果

水果糖度色澤重量分級選別系統

中控系統監控畫面

內部糖度檢測監控畫面

重量檢測監控畫面

外部影像色澤監控畫面

參數設定畫面

手動控制操作畫面

報表查詢畫面

資料庫查詢畫面

改良場技轉分級輸送帶

改良場技轉分級托盤

改良場技轉NIR設備

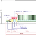
水果分級機輸送帶設計圖

水果分級機托盤設計圖

水果蒸熱處理廠平面圖

水果檢測設備安裝配置圖

台X規格水果分級輸送帶

水果檢測設備拆解打包1

水果檢測設備拆解打包2

水果檢測設備裝車1

水果檢測設備裝車2

水果檢測設備抵達處理廠

水果檢測設備送抵安裝現場1

水果檢測設備送抵安裝現場2

中控&備份電腦安裝定位

水果檢測設備安裝定位

驗收水果送達現場

驗收水果貼號碼標籤

驗收前人員就定位準備

水果檢測設備檢測過程

檢測分級後裝箱排列

電子糖度計

檢測結果列印報表

糖度驗收取樣解剖方法

水果檢測設備驗收過程

正確排放水果方法

草地狀元節目採訪

縣長主持設備啟用典禮1

縣長主持設備啟用典禮2

縣長主持設備啟用典禮3

縣長主持設備啟用典禮4

縣長主持設備啟用典禮5

縣長主持設備啟用典禮6

XX集團外銷芒果

蜜棗取樣1

蜜棗取樣2

台X規格光譜儀

改良場技轉光譜儀

QE65000光譜儀

光譜波長表

台X規格燈箱

IR燈箱

重量基準托盤

台X規格影像打光系統

工業攝影鏡頭

鏡頭清潔風管

台X規格分級輸送帶

輪式托盤分級輸送帶

分級槽輸送帶

托盤附加套件

托盤附加套件安裝後

資料庫設定表部分

水果吹電風扇回溫

水果溫度與檢測糖度關係對照表

水果檢測設備技術說明1

水果檢測設備技術說明2

水果檢測設備技術說明3

鹽膚木花粉1

鹽膚木花粉2

花粉粒選別機設計圖
上一頁下一頁
此相簿內的相片出現在:
相簿列表資訊
- 最新上傳:
- 2019/08/11
- 全站分類:
- 創作設計
- 本日人氣:
- 0
- 累積人氣:
- 2586




相片最新留言