上一頁下一頁

水耕播種機雛型機示意圖

水耕播種機示意圖

水耕海綿

水耕海綿示意圖

海綿撐開效果示意圖

海綿頂開套演進示意圖

小白菜種子

不鏽鋼針頭

吸附針座 實品

吸附針座設計圖

苦瓜種子

吸附針座螺帽設計圖

真空吸力吹氣調節系統示意圖

茼蒿種子

甜瓜種子

菸草種子

塑膠針頭

新式升降踏板示意圖

萵苣種子

銅針頭設計圖

點膠機針頭

舊式升降踏板示意圖

水耕播種機上層結構示意圖

自動水耕蔬菜播種機示意圖

第3代滾筒式播種機

菸葉種子播種機

5刻畫滾筒播種機原理示意圖

3代滾筒播種機效率測試資料表

活塞式氣壓震盪器設計圖1

活塞式氣壓震盪器設計圖2

活塞式氣壓震盪器設計圖3

活塞式氣壓震盪器設計圖4

第4代滾筒式播種機

滾筒式播種機含周邊設備規劃圖

第4代滾筒播種機測試數據1

第4代滾筒播種機測試數據2

第6代滾筒播種機設計圖正面

第6代滾筒播種機設計圖側面

第6代滾筒播種機

第6代滾筒播種機觀摩會

林苗種子播種機

種苗自動化生產示範工場流程圖

泛用型蔬菜育苗穴盤排箱機示意圖

泛用型蔬菜育苗穴盤排箱機設計圖

泛用型蔬菜育苗穴盤排箱機

軟式育苗穴盤排箱機設計圖

軟式育苗穴盤排箱機夾爪近照

軟式育苗穴盤排箱機和介質土裝填機

空育苗穴盤排放輸送機

泛用型蔬菜育苗穴盤積箱機雛型機示意圖

泛用型蔬菜育苗穴盤積箱機雛型機

泛用型蔬菜育苗穴盤積箱機雛型機勾爪結構示意圖

泛用型蔬菜育苗穴盤積箱機設計圖

新泛用型蔬菜育苗穴盤積箱機

橫式泛用型蔬菜育苗穴盤積箱機設計圖

橫式泛用型蔬菜育苗穴盤積箱機

20160823-01

20160823-02

20160823-03

20160823-04

20160823-05

20160823-06

簡易水耕播種機設計圖

簡易水耕播種機

簡易水耕播種機底座

簡易水耕播種機壓制板

壓制板的導孔/撐開孔

簡易水耕播種機吸附盒及種子槽

簡易水耕播種機示意圖

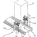
浸泡式穴盤消毒機雛型機

浸泡式穴盤消毒機設計圖

浸泡式穴盤消毒機入盤機構

浸泡式穴盤消毒機壓盤機構

浸泡式穴盤消毒機浸泡/滴水機構

浸泡式穴盤消毒機出盤機構

浸泡式穴盤消毒機計數迴路1

浸泡式穴盤消毒機計數迴路2

浸泡式穴盤消毒機動作時序表

浸泡式穴盤消毒機元件接口配置表

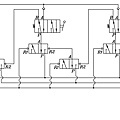
浸泡式穴盤消毒機氣壓迴路圖
上一頁下一頁
此相簿內的相片出現在:
相簿列表資訊
- 最新上傳:
- 2017/10/17
- 全站分類:
- 創作設計
- 本日人氣:
- 0
- 累積人氣:
- 6335




相片最新留言