觀看原圖
相簿列表
»
資料庫 & 資料存取
下一張
下一張
下一張
下一張
148 of 219
旋轉
設為相片牆主圖
設為相簿封面
編輯標題描述
刪除
標記人臉
新增文字標籤
20131216-03
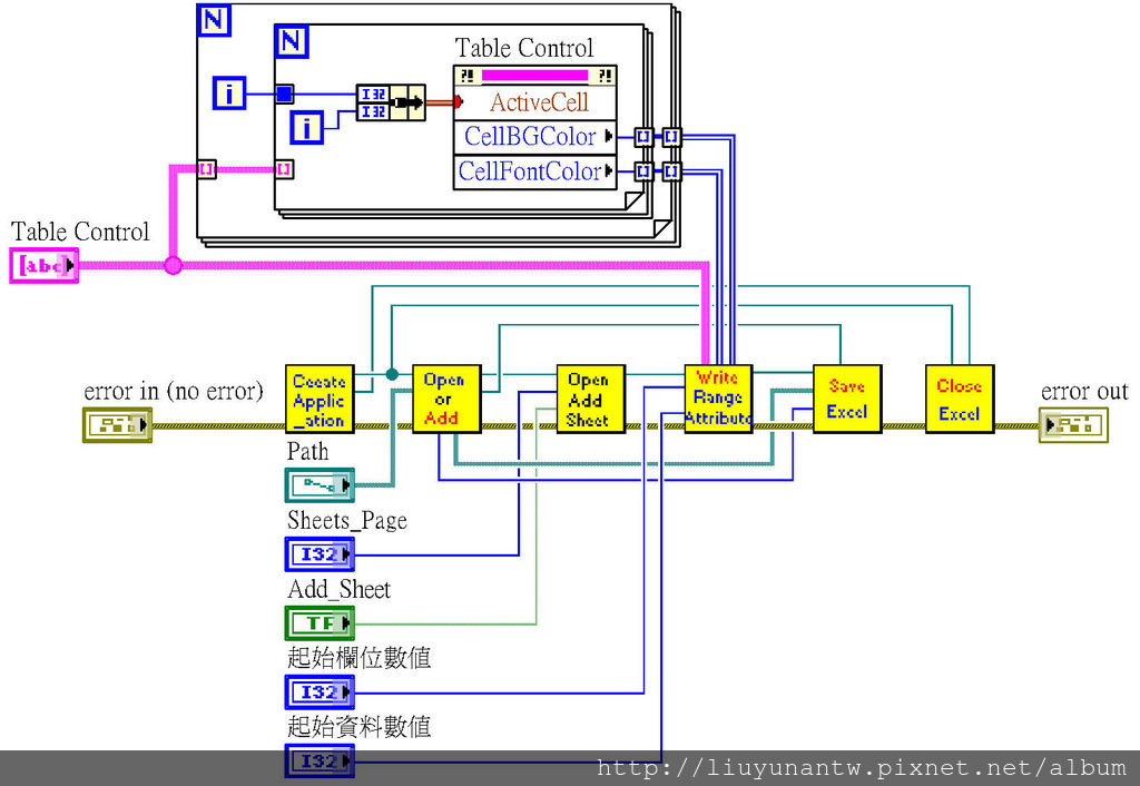
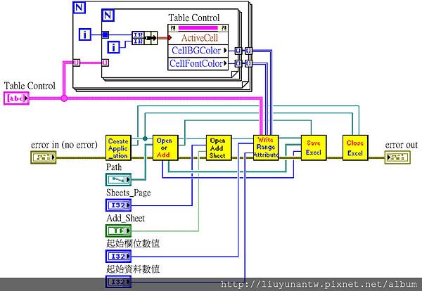
指定路徑沒有檔案時自動新增Excel檔案及改變儲存格屬性程式說明圖03
指定路徑沒有檔案時自動新增Excel檔案及改變儲存格屬性程式說明圖03
儲存
取消
分享:
語法▼
複製語法
大 1024
中 600
小 450
大縮圖 (170 x 170)
中縮圖 (120 x 120)
小縮圖 (90 x 90)
使用此語法將相片貼至頁面上:
複製
分享至痞客邦部落格
分享連結
將此連結分享給你的朋友:
複製
下載此相片
PIXNET
Facebook
Yahoo!
Google
MSN
本相簿不能留言
未出師的小工程師
相簿
部落格
留言板
名片
所有相簿
(44)
此圖片出現在:
回覆"CJY"的問題:指定路徑沒有檔案時自動新增Excel檔案及改變儲存格屬性
相片資訊
本日人氣:
0
累積人氣:
0
展開
檔案大小:
209 kb
尺寸:
1471 x 1014
關閉視窗