觀看原圖
相簿列表
»
歐姆龍PLC通訊
下一張
下一張
下一張
下一張
41 of 85
旋轉
設為相片牆主圖
設為相簿封面
編輯標題描述
刪除
標記人臉
新增文字標籤
20080921-05
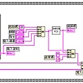
控制OMRON PLC (7) 多點ON/OFF控制:輸出入及輔助和特殊接點程式說明圖05
控制OMRON PLC (7) 多點ON/OFF控制:輸出入及輔助和特殊接點程式說明圖05
儲存
取消
分享:
語法▼
複製語法
原始
小 450
大縮圖 (170 x 170)
中縮圖 (120 x 120)
小縮圖 (90 x 90)
使用此語法將相片貼至頁面上:
複製
分享至痞客邦部落格
分享連結
將此連結分享給你的朋友:
複製
下載此相片
PIXNET
Facebook
Yahoo!
Google
MSN
本相簿不能留言
未出師的小工程師
相簿
部落格
留言板
名片
所有相簿
(44)
此圖片出現在:
用LabVIEW控制OMRON PLC (7) 多點ON/OFF控制:輸出入及輔助和特殊接點
相片資訊
本日人氣:
0
累積人氣:
0
展開
檔案大小:
19 kb
尺寸:
510 x 168
關閉視窗